分類

特 點 Features
● 體積小,性價比高。Small size, high cost performance.
● 常規通用,安裝方便。General purpose, easy to install.
應 用 Application
● 各種電子設備和電子測量儀器。
All kinds of electronic equipment and electronic
measuring instruments.
性能指標 Characteristcs
額定電壓Rated voltage | 250VAC,50/60Hz;250VDC |
工作頻率 Operating Frequency | DC~400Hz |
額定電流Rated curren | 1A~200A@40℃max. |
耐壓試驗 (60s) Test Voltage | 1500VDC(線-線Line - line) 1500VAC(線-地Line - ground) 3000VDC/2S |
氣候類別 Climate category | 25/100/21 |
產品型號表 Filter Table
型號 model | 接線方式:輸入輸出 | 額定電流A Rated curren | MAX泄漏電流mA leakage current | 放電電阻KΩ resistance | 電路圖Fig. Circuit diagram | 外形尺寸Fig. Outline Drawing | ||
|
|
| ||||||
YX-211-1- | TT | WW | 1 | 0.7 | 1000 | 1 | 1 | |
YX-211-3- | TT | WW | 3 | 0.7 | 1000 | 1 | 1 | |
YX-211-6- | TT | WW | 6 | 0.7 | 1000 | 1 | 1 | |
YX-211-10- | TT | WW | 10 | 0.7 | 1000 | 1 | 1 | |
YX-211-16- | TT | WW | SS | 16 | 0.7 | 1000 | 1 | 2/3 |
YX-211-20- | TT | WW | SS | 20 | 0.7 | 1000 | 1 | 2/3 |
YX-211-30- | WW | SS | 30 | 0.8 | 1000 | 1 | 4 | |
YX-211-60- | SS | 50 | 0.8 | 330 | 1 | 5 | ||
YX-221-100- | SS | 100 | 1.0 | 330 | 2 | 5 | ||
YX-221-200- | SS | 200 | 1.0 | 330 | 2 | 6 | ||
電原理圖Typical Circuit Diagram
Fig.1
Fig.2
插入損耗 Insertion LOSS in dB (50Ω測量系統,IEC/CISPR No.17號出版物)

1A 3A 6A

10A 16A 20A



30A 60A 100A

200A
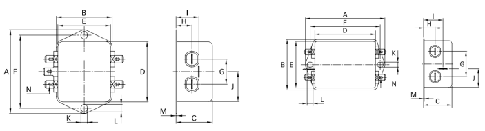
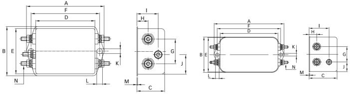
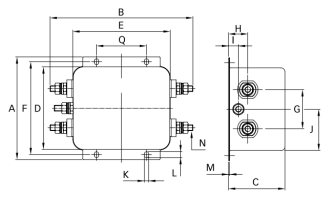
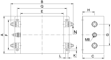
外形尺寸圖 Outline Drawing : mm

Fig.1 (1A~10A) Fig.2 (16A~20A)

Fig.3 (16A~20A) Fig.4 (30A)


Fig.5 (60A~100A) Fig.6 (200A)
外形尺寸Fig. | A | B | C | D | E | F | G | H | I | J | K | L | M | N | Q |
1 (1A~10A) | 64 | 35 | 24.3 | 43.5 | 32.5 | 54 | 21 | 9.3 | 15.3 | 21.8 | 5.3 | 6.3 | 0.7 | 6.3×0.8 | |
2 (16A) | 71 | 46.6 | 29.3 | 50.5 | 44.5 | 61 | 21 | 10.8 | 19.3 | 20.1 | 5.3 | 6.3 | 0.7 | 6.3×0.8 | |
2 (20A) | 85 | 54 | 30.3 | 64.8 | 49.8 | 75 | 27 | 12.3 | 20.8 | 19.9 | 5.3 | 6.3 | 0.7 | 6.3×0.8 | |
3 (16A) | 71 | 46.6 | 29.3 | 50.5 | 44.5 | 61 | 21 | 10.8 | 19.3 | 20.1 | 5.3 | 6.3 | 0.7 | M4 | |
3 (20A) | 85 | 54 | 30.3 | 64.8 | 49.8 | 75 | 27 | 12.3 | 20.8 | 19.9 | 5.3 | 6.3 | 0.7 | M4 | |
4 (30A) | 113.5 | 57.5 | 45.4 | 94 | 56 | 103 | 25 | 12.4 | 32.4 | 15.5 | 4.4 | 6 | 1 | M4 | |
5 (60A) | 105 | 145.9 | 57.6 | 84.5 | 99.5 | 95 | 40 | 19.6 | 10.1 | 42.25 | 4.4 | 6 | 1.2 | M6 | 51 |
5 (100A) | 130 | 177 | 50 | 100 | 120 | 115 | 65 | 28 | 28 | 50 | 6.5 | 4.5 | 1.2 | M8 | 80 |
6 (200A) | 140 | 232 | 80 | 160 | 112 | 80 | 45 | 6.4 | 9.4 | M10 | 184 |
CopyRight ? 2025 常州市宇軒電子有限公司 版權所有 蘇ICP備2022034447號-1 網站地圖 所有標簽 免責聲明 中環互聯網常州網站建設